产品中心

PRODUCT

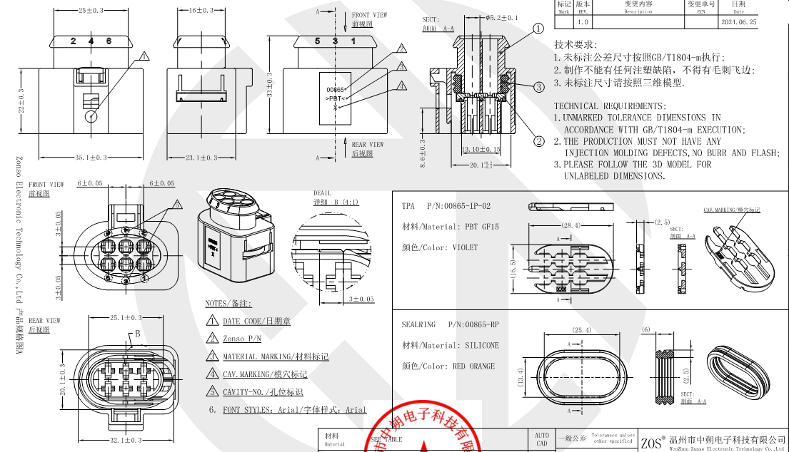
06FM-2.8-00865(替1J0973733)

产品系列

2.8系列护套

零件号

06FM-2.8-00865

产品型号

1J0973733

产品描述

6线防水护套

材质

PBT

颜色

黑色

尺寸:

 L:35.1*W:23.1*H:33

适配端子

964286-2


2.8mm系列系列

1753864988111.png

微信二维码