产品中心

PRODUCT

  • 132

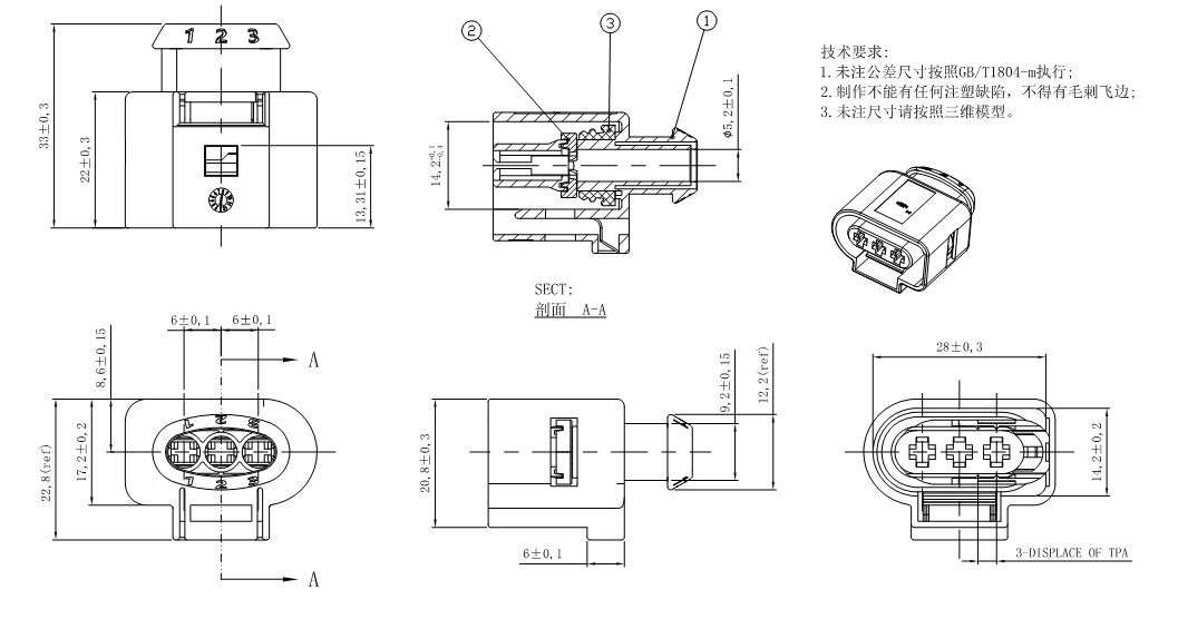
03FM-3.5-00142(替1J0973723)

产品系列

2.8系列

零件号

03FM-3.5-00142

产品型号

1J0973723

产品描述

3孔防水护套

材质

PBT

颜色

黑色

适配端子


对接护套



2.8mm系列系列

1753865580431.png

微信二维码