产品中心

PRODUCT

  • 132

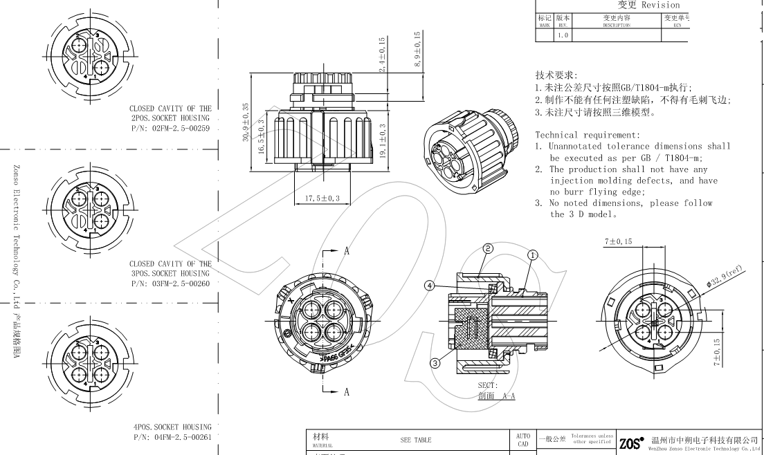
04FM-2.5-00261(替1-1813099-1)

产品系列

2.5系列

零件号

04FM-2.2-00261

产品型号

1-1813099-1

产品描述

4线防水护套

材质

PBT/PA66

颜色

黑色

适配端子

929974-2

对接护套



2.5mm系列系列

1753862827304.png

微信二维码