产品中心

PRODUCT

  • 132

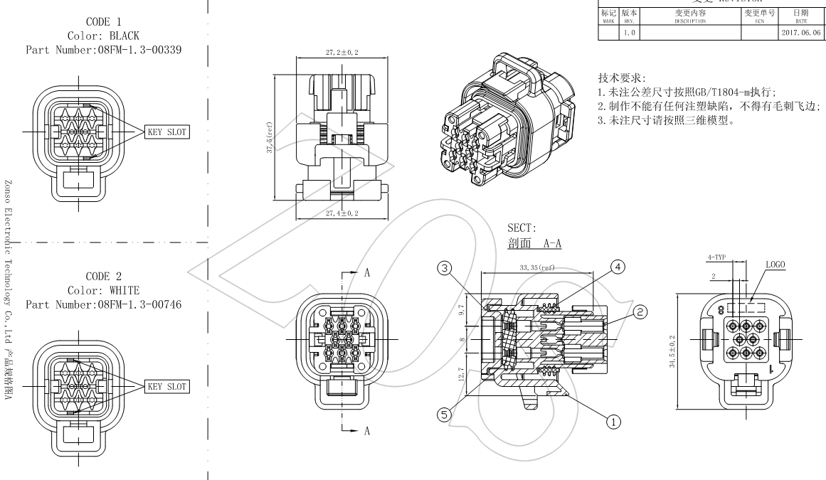
08FM-1.3-00746(替776286-2)

产品系列

1.3系列

零件号

08FM-1.3-00746

产品型号

776286-2

产品描述

8线防水护套

材质

PBT

颜色

白色

适配端子

770520-1

对插端




1.3mm系列系列

1753510160244.png

微信二维码