产品中心

PRODUCT

  • 132

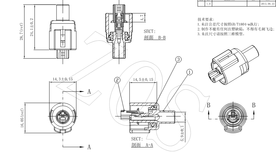
01FM-2.2-00267(替7283-1113-40)

产品系列

2.2系列

零件号

01FM-2.2-00267

产品型号

7283-1113-40

产品描述

1线防水护套

材质

PBT

颜色

灰色

适配端子

DJ621-2.2A

对接护套



2.2mm系列系列

1753862542345.png

微信二维码