产品中心

PRODUCT

  • 132

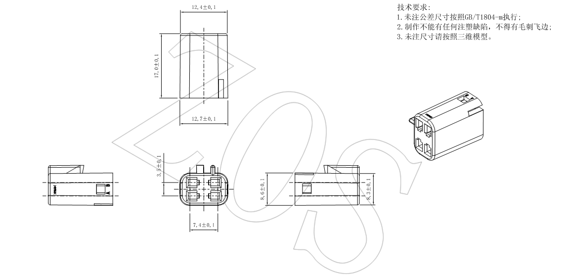
04SM-1.5-00726(替12047785)

产品系列

1.5系列

零件号

04SM-1.5-00726

产品型号

12047785

产品描述

4线不防水护套

材质

PBT

颜色

黑色

适配端子

DM-1.5-00728A

对接护套

12047786



1.5mm系列系列

12047785.png

微信二维码