产品中心

PRODUCT

  • 132

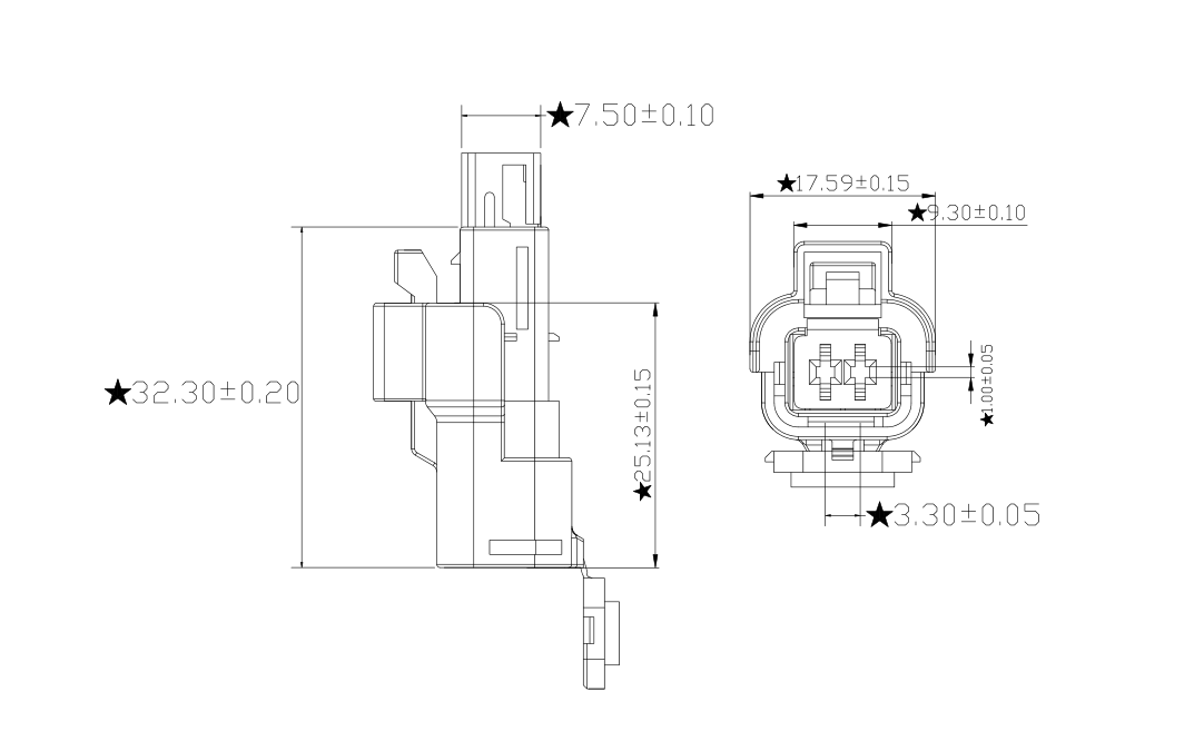
02FM-1.5-00232(211PC022S0049)

产品系列

1.5系列

零件号

02FM-1.5-00232

产品型号

211PC022S0049

产品描述

2线防水护套

材质

PBT

颜色

黑色

适配端子

211CC2S1160

对接护套



1.5mm系列系列

00232.png

微信二维码