产品中心

PRODUCT

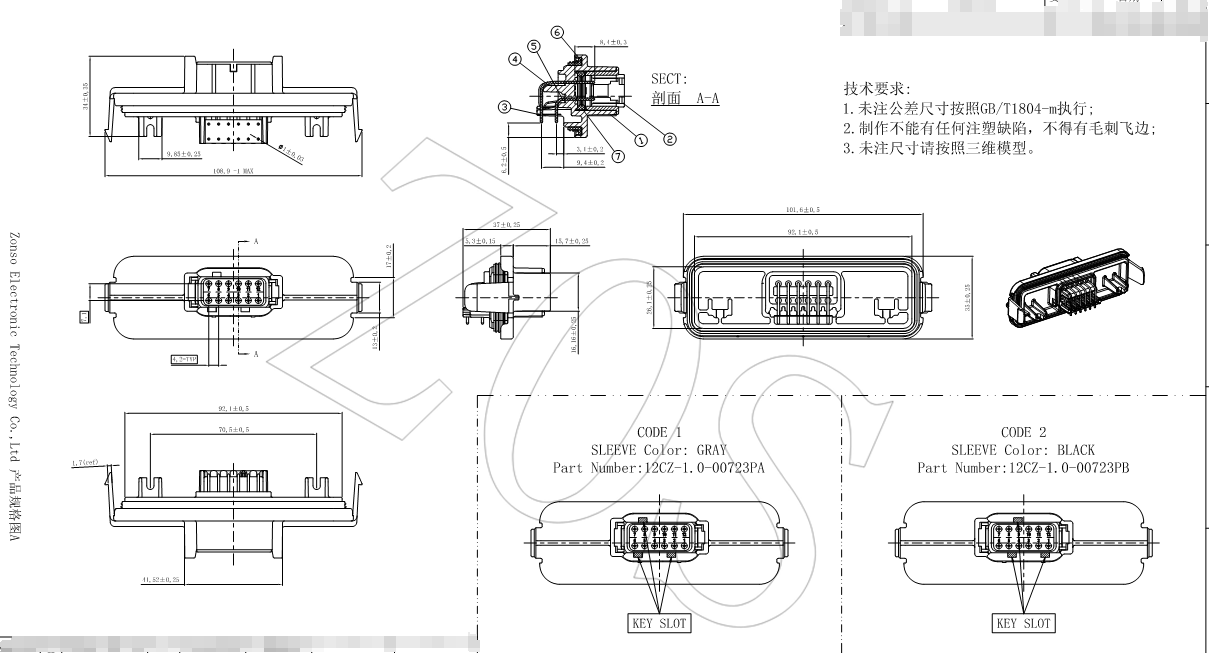
12CZ-1.0-00723PB(替DTM13-12PB)

产品系列

1.0系列

零件号

12CZ-1.0-00723PB

产品型号

DTM13-12PB

产品描述

12线板端针座

材质

PBT

颜色

黑色(黑槽)

适配端子


对接护套




PCB针座系列

1753501097894.png

微信二维码