产品中心

PRODUCT

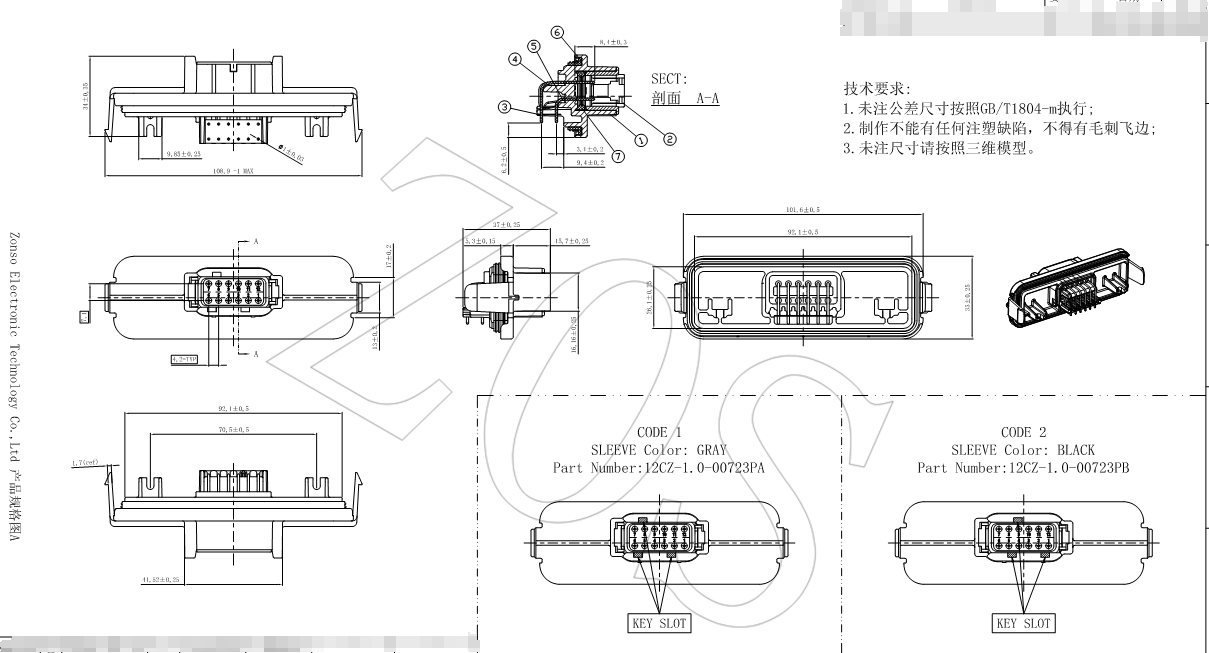
12CZ-1.0-00723PA(替DTM13-12PA)

产品系列

1.0系列

零件号

12CZ-1.0-00723PA

产品型号

DTM13-12PA

产品描述

12线板端针座

材质

PBT

颜色

黑色(灰槽)

适配端子


对接护套



PCB针座系列


1753501097894.png




微信二维码